Ningbo Richge Technology Co., Ltd.
Ningbo Richge Technology Co., Ltd.
Táirgí
VBI-24 Sorcóir Inslithe Cineál Seasta Sorcóir MV Ciorcad Fholúis MV
  • VBI-24 Sorcóir Inslithe Cineál Seasta Sorcóir MV Ciorcad Fholúis MVVBI-24 Sorcóir Inslithe Cineál Seasta Sorcóir MV Ciorcad Fholúis MV
  • VBI-24 Sorcóir Inslithe Cineál Seasta Sorcóir MV Ciorcad Fholúis MVVBI-24 Sorcóir Inslithe Cineál Seasta Sorcóir MV Ciorcad Fholúis MV

VBI-24 Sorcóir Inslithe Cineál Seasta Sorcóir MV Ciorcad Fholúis MV

Model:VBI-24
Is glúin nua de scoradáin chiorcaid fholús chliste é Breaker Ciorcad Fholúis faoi Dhíon VBI. Tá a chomhpháirteanna beo, lena n-áirítear an t-idirghabhálaí folúis ardfheidhmíochta agus na críochfoirt uachtaracha agus níos ísle ag dul as oifig, cuimsithe i gcríochfoirt iar-roisín eapocsa. Cuidíonn an dearadh seo le héilliú a chosc ar dhromchla an idirghníomhaíochta folúis, a fheabhsaíonn a chuid airíonna inslithe, cobhsaíocht mheicniúil, agus a shaolré oibríochtúil a leathnú. Baintear úsáid as meicníocht oibríochta eascra ciorcad folúis de chineál VBI-24 taobh an earraigh go fuinneamh stórála, ar féidir é a oibriú ar dhá bhealach, lámhleabhar nó leictreach.<10kv Indoor High Voltage Vacuum Circuit Breaker General Technical Specifications>, Forálacha ábhartha de chaighdeán IEC56. VBI-24 Is éard atá i gceist le breaker ciorcad folúis ardvoltais faoi dhíon AC 50Hz, voltas rátáilte de ghléas faoi dhíon 24kV, le haghaidh fiontair thionsclaíocha agus mianadóireachta, stáisiúin chumhachta agus fostáisiúin mar chuspóirí rialaithe trealaimh leictreachais agus cosanta, agus chun an áit a oibriú go minic.

VBI-24 Sorcóir Inslithe Cineál Seasta Sorcóir MV Ciorcad Fholúis MV

   Is é an tsraith VBI-24 de bhriste ciorcad folúis ardvoltais faoi dhíon le cuaillí leabaithe ná trí fhrása A.C.50 Trealamh dáilte cumhachta faoi dhíon leis an voltas rátáilte de 24 kV.it a úsáidtear chun an trealamh leictreach i réimsí an fhiontair tionscail agus mhianadóireachta, gléasraí cumhachta agus substaint a chosaint agus a rialú.

   Is é an príomhchiorcad seoltaí den chineál seo breaker ciorcad folúis le meicníocht an earraigh ná cuaille leabaithe, ar féidir leis feabhas mór a chur ar iontaofacht inslithe, feidhmíochta meicniúil agus briseadh agus a thuigeann an saor-chothabháil agus an saol meicniúil agus leictreach níos faide. Sroicheann an cumas grád M-E2-C2.

   Úsáidtear an táirge le haghaidh go leor cineálacha lascthrealamh cosúil le Kyn28-24 (GZS1) agus is féidir é a shuiteáil.

  VBI-24 Is éard atá i gceist le breaker ciorcad folúis ardvoltais faoi dhíon AC 50Hz, voltas rátáilte de ghléas faoi dhíon 24kV, le haghaidh fiontair thionsclaíocha agus mianadóireachta, stáisiúin chumhachta agus fostáisiúin mar chuspóirí rialaithe trealaimh leictreachais agus cosanta, agus chun an áit a oibriú go minic.







Eolas bunúsach.


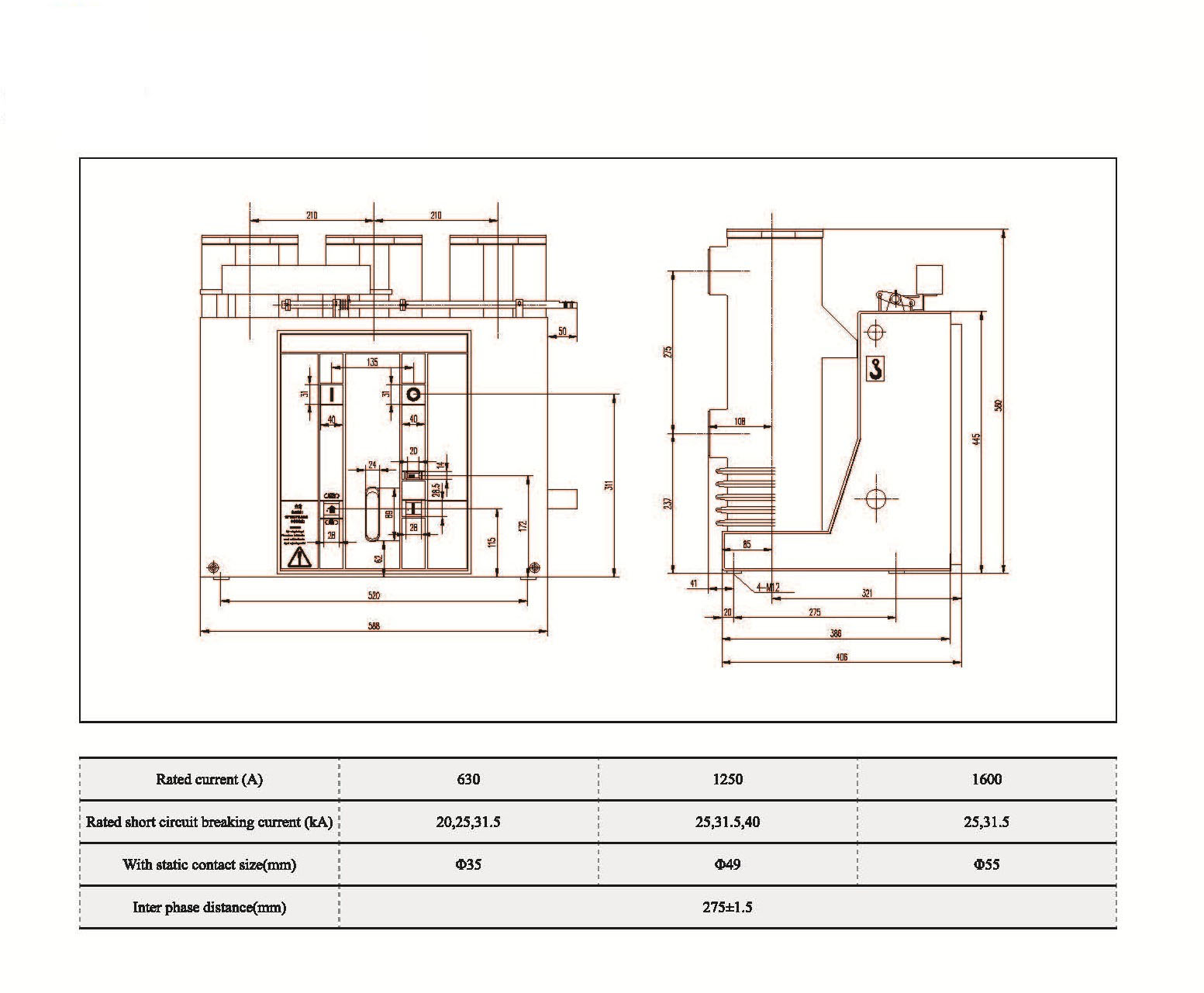
Paraiméadair theicniúla




Líníochtaí teicniúla

Ceisteanna CCanna

C: An bhféadfainn praghsanna do tháirgí a bheith agam?

A: Fáilte. Ná bíodh drogall ort fiosrúchán a chur chugainn anseo. Tabharfaimid freagra ort laistigh de 24 uair an chloig.


C: An féidir liom sampla a fháil roimh an mbulc -ordú?

A: Tá, cuirimid fáilte roimh ordú samplach chun cáilíocht a thástáil agus a sheiceáil.


C: An féidir linn ár n -ainm lógó/ cuideachta a phriontáil ar tháirgí?

A: Tá, ar ndóigh, glacaimid le OEM, ansin is gá duit údarú branda a sholáthar dúinn


C: An nglacann tú le saincheapadh táirgí?

A: Sea, ar ndóigh, tabhair líníochtaí nó paraiméadair shonracha ar leith, le do thoil, luaimid tú tar éis na meastóireachta


C: Cad é an t -am luaidhe?

A: Braitheann an t-am luaidhe ar na cainníochtaí a ordaíodh, go ginearálta laistigh de 7-20 lá tar éis an íocaíocht a fháil.


C: Cad é do théarmaí trádála?

A: Glacaimid le Exw, FOB, CIF, FCA, etc.


C: Cad é do mhodh íocaíochta?  

A: Glacaimid le T/T, Western Union, PayPal, L/C in -athraithe ag an radharc, srl


C: An ndéanann tú iniúchadh ar na táirgí críochnaithe?

A: Is ea, tabharfaidh roinn QC gach céim de tháirgeadh agus de tháirgí críochnaithe amach roimh loingseoireacht. Agus cuirfimid tuarascálacha cigireachta earraí ar fáil do do thagairt roimh an loingsiú


C: Conas na fadhbanna cáilíochta a réiteach tar éis díolacháin?

A: Tóg grianghraif de na fadhbanna cáilíochta agus seol chugainn chun seiceáil agus dearbhú a dhéanamh orainn, déanfaimid réiteach sásta duit laistigh de 3 lá.




Monarcha


Teastas




Hot Tags: VBI-24 Sorcóir Inslithe Cineál Seasta VBI-24 MV Ciorcad Ciorcad Fholúis, an tSín, Monaróir, Soláthraí, Monarcha, Praghas Íseal, Cáilíocht, Díol is déanaí, Advanced
Seol Fiosrúchán
Eolas teagmhála
Le haghaidh fiosrúcháin faoi lascthrealamh ísealvoltais, inslitheoirí ardvoltais, lasc talmhaithe ardvoltais nó liosta praghsanna, fág do r-phost chugainn agus beimid i dteagmháil linn laistigh de 24 uair an chloig.
X
Úsáidimid fianáin chun eispéireas brabhsála níos fearr a thairiscint duit, chun anailís a dhéanamh ar thrácht an tsuímh agus chun inneachar a phearsantú. Trí úsáid a bhaint as an suíomh seo, aontaíonn tú lenár n-úsáid a bhaint as fianáin. Beartas Príobháideachta
Diúltaigh Glac