Ningbo Richge Technology Co., Ltd.
Ningbo Richge Technology Co., Ltd.
Táirgí
Zn12-12 Sraith Comhtháite Cuarda Cuarda Fholúis Athraithe
  • Zn12-12 Sraith Comhtháite Cuarda Cuarda Fholúis AthraitheZn12-12 Sraith Comhtháite Cuarda Cuarda Fholúis Athraithe
  • Zn12-12 Sraith Comhtháite Cuarda Cuarda Fholúis AthraitheZn12-12 Sraith Comhtháite Cuarda Cuarda Fholúis Athraithe

Zn12-12 Sraith Comhtháite Cuarda Cuarda Fholúis Athraithe

Model:ZN12-12
Sraith Zn12-12 Is é an breaker ciorcad folúis AC HV faoi dhíon an trealamh faoi dhíon de thrí chéim AC 50Hz, voltas rátáilte de 12kV, a thug an teicneolaíocht isteach ó chuideachta na Gearmáine. Tá sé oiriúnach do cheantar le gach cineál ualaigh agus oibriú go minic, agus is féidir é a úsáid chun áiseanna leictreacha tionsclaíocha agus mianadóireachta, fiontair, gléasra cumhachta agus fostáisiúin a chosaint agus a rialú. Tá an táirge seo i gcomhréir le ceanglas gaolmhar GB1984, JB3855, DL403 agus caighdeáin IEC.

Zn12-12 Sraith Comhtháite Cuarda Cuarda Fholúis Athraithe

  Zn12-12 Ciorcad folúis ardvoltais faoi dhíon voltas rátáilte de 12kV agus an lascthrealamh ardvoltais seo a leanas, suiteáilte go príomha i lascthrealamh seasta, d'fhiontair thionsclaíocha agus mhianadóireachta, i ngléasraí cumhachta agus i bhfostáistí cumhachta chun áiseanna leictreacha a chosaint agus a rialú, agus tá sé oiriúnach le haghaidh ualach tábhachtach agus oibríocht agus minicíocht a dhéanamh ar an áit!

  Zn12 Sraith Is éard atá i scoradáin chiorcaid i bhfolús ná gléas lascthrealamh ardvoltais faoi dhíon le voltais rátáilte de 12kV, 24kV, agus 40.5kV, agus trí chéim AC 50Hz. Is táirge baile é a forbraíodh trí theicneolaíocht Siemens 3AF na Gearmáine a thabhairt isteach. Tá struchtúr simplí, cumas láidir briste, saol fada seirbhíse agus feidhmeanna iomlána oibríochta ag an breaker ciorcaid. Agus níl aon bhaol ann go dtarlódh pléascadh, agus tá an chothabháil simplí. Tá sé oiriúnach do chórais tarchuir agus dáilte cumhachta a rialú nó a chosaint, mar shampla stáisiúin chumhachta, fostáisiúin agus fiontair thionsclaíocha agus mianadóireachta, atá oiriúnach go háirithe chun ualaí tábhachtacha agus áiteanna oibriúcháin a bhriseadh. Is féidir le foirm suiteála an chiorcaid chiorcaid sa chomh-aireacht lasc a bheith ina chineál seasta nó ina bhriste ciorcaid de chineál in-aistarraingthe. Comhlíonann an táirge seo caighdeáin ábhartha ar nós GB1984, JB3855 agus IEC62271-100 “Briseadh Ciorcaid AC ardvoltais”.


Buntáistí:

1. Rith an breaker ciorcad breithmheas ar an Aireacht Innealra agus an Aireacht Cumhachta Leictreach i mí Lúnasa 96, rud a chiallaíonn go bhfuil an caighdeán ráthaithe go hiomlán.

Tá an mheicníocht breaker ciorcad comhtháite leis an lasc, agus is féidir le Meicníocht Actuator Stórála Fuinnimh Speisialta Fuinnimh a oibriú ag AC agus DC Storage Fuinnimh nó a oibriú de láimh.

Le struchtúr simplí, cumas láidir briste, saol fada seirbhíse, feidhmeanna oibríochta iomlána, gan aon chontúirt pléasctha agus cothabháil éasca, tá an breaker ciorcaid seo oiriúnach le haghaidh rialaithe nó cosanta córais tarchuir agus dáilte cumhachta mar ghléasra cumhachta, greille cumhachta cathrach, fostáisiún, etc. Tá sé oiriúnach go háirithe chun ualaí agus áiteanna tábhachtacha a bhriseadh.


Gnéithe:

1. Tá acmhainn bhriste an tseomra múchta stua ard, tá an acmhainn iompair reatha íseal, agus tá an saol leictreach fada.

2 Tá an leagan amach ó thús go cúl, struchtúr simplí agus dlúth, oibriú iomlán agus cothabháil éasca.

3. Chun struchtúr agus suiteáil a struchtúrú, is féidir iad a roinnt ina: cineál seasta cothrománach, cineál seasta claonta, cineál sochorraithe lár -tacar.






Eolas bunúsach.



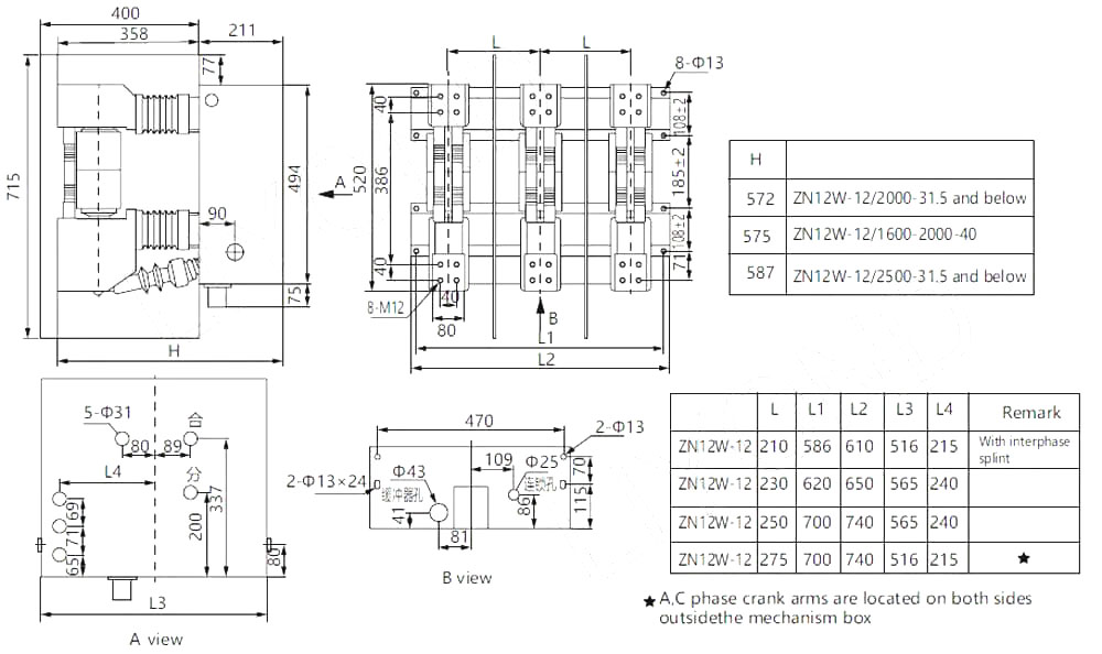
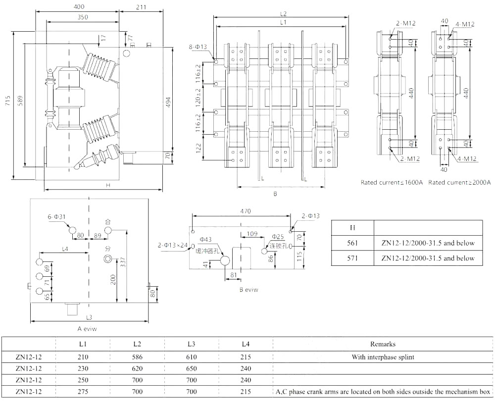
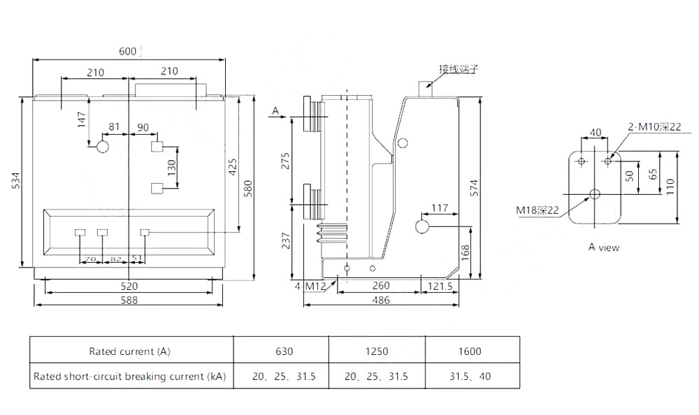
Paraiméadair theicniúla



Líníochtaí teicniúla


Coinníollacha úsáide Zn12-12 Ciorcad Fholúis Athraithe Colún Comhtháite1. Airde: ≤1000 m; (Is féidir le hairde na fréamhshamhla teacht faoi bhun 4000 méadar)

2. Teocht chomhthimpeallach: is airde +40 ° C, is ísle -25 ° C;

3. Taiseachas coibhneasta: Meán laethúil nach mó ná 95%, meán míosúil nach mó ná 90%;

4. Déine crith talún: níos lú ná 8;

5. Timpeallacht suiteála: Gan aon tine, guais pléasctha, gan aon ghás creimneach agus gan aon áit chreathaidh foréigneach.

6. Déan teagmháil le do thoil leis an déantúsóir breaker ciorcad i bhfolús má sháraíonn an timpeallacht úsáide an méid thuas.




Ceisteanna CCanna

C: An bhféadfainn praghsanna do tháirgí a bheith agam?

A: Fáilte. Ná bíodh drogall ort fiosrúchán a chur chugainn anseo. Tabharfaimid freagra ort laistigh de 24 uair an chloig.


C: An féidir liom sampla a fháil roimh an mbulc -ordú?

A: Tá, cuirimid fáilte roimh ordú samplach chun cáilíocht a thástáil agus a sheiceáil.


C: An féidir linn ár n -ainm lógó/ cuideachta a phriontáil ar tháirgí?

A: Tá, ar ndóigh, glacaimid le OEM, ansin is gá duit údarú branda a sholáthar dúinn


C: An nglacann tú le saincheapadh táirgí?

A: Sea, ar ndóigh, tabhair líníochtaí nó paraiméadair shonracha ar leith, le do thoil, luaimid tú tar éis na meastóireachta


C: Cad é an t -am luaidhe?

A: Braitheann an t-am luaidhe ar na cainníochtaí a ordaíodh, go ginearálta laistigh de 7-20 lá tar éis an íocaíocht a fháil.


C: Cad é do théarmaí trádála?

A: Glacaimid le Exw, FOB, CIF, FCA, etc.


C: Cad é do mhodh íocaíochta?  

A: Glacaimid le T/T, Western Union, PayPal, L/C in -athraithe ag an radharc, srl


C: An ndéanann tú iniúchadh ar na táirgí críochnaithe?

A: Is ea, tabharfaidh roinn QC gach céim de tháirgeadh agus de tháirgí críochnaithe amach roimh loingseoireacht. Agus cuirfimid tuarascálacha cigireachta earraí ar fáil do do thagairt roimh an loingsiú


C: Conas na fadhbanna cáilíochta a réiteach tar éis díolacháin?

A: Tóg grianghraif de na fadhbanna cáilíochta agus seol chugainn chun seiceáil agus dearbhú a dhéanamh orainn, déanfaimid réiteach sásta duit laistigh de 3 lá.




Monarcha


Teastas




Hot Tags: Sraith Zn12-12 Sraith Comhtháite Ciorcad Fholúis Cuarda, an tSín, Monaróir, Soláthraí, Monarcha, Praghas Íseal, Cáilíocht, Díol is déanaí, Advanced
Seol Fiosrúchán
Eolas teagmhála
Le haghaidh fiosrúcháin faoi lascthrealamh ísealvoltais, inslitheoirí ardvoltais, lasc talmhaithe ardvoltais nó liosta praghsanna, fág do r-phost chugainn agus beimid i dteagmháil linn laistigh de 24 uair an chloig.
X
Úsáidimid fianáin chun eispéireas brabhsála níos fearr a thairiscint duit, chun anailís a dhéanamh ar thrácht an tsuímh agus chun inneachar a phearsantú. Trí úsáid a bhaint as an suíomh seo, aontaíonn tú lenár n-úsáid a bhaint as fianáin. Beartas Príobháideachta
Diúltaigh Glac